Lotus Wiring Diagram Yellow Wire, Free Auto Wiring Diagram: April 2011

Lotus Wiring Diagram Yellow Wire Ford Fairmont 1995 Part Electrical Circuit Wiring Diagram » Carfusebox

Indicator buzzer towbar buzzer wiring diagram

Free auto wiring diagram: april 2011. Lotus exige wiring diagram. Ford fairmont 1995 part electrical circuit wiring diagram » carfusebox. Lotus excel restoration: june 2014

Información técnica sobre la línea Lotus, material de colección.

Información técnica sobre la línea Lotus, material de colección.

Indicator Buzzer Towbar Buzzer Wiring Diagram - Pct Universal Audible

Indicator Buzzer Towbar Buzzer Wiring Diagram - Pct Universal Audible

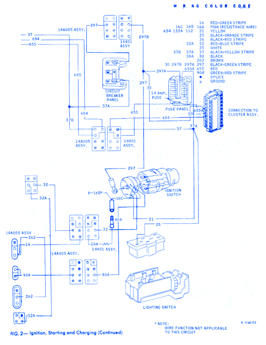
Ford Fairmont 1995 Part Electrical Circuit Wiring Diagram » CarFuseBox

Ford Fairmont 1995 Part Electrical Circuit Wiring Diagram » CarFuseBox

lotus exige wiring diagram - Wiring Diagram

lotus exige wiring diagram - Wiring Diagram

Lotus – Barnblinker

Lotus – Barnblinker